Skip to content Skip to sidebar Skip to footer

Upgrade Your Tank System with the High-Performing Switched Tank Converter: Boost Efficiency and Save Costs

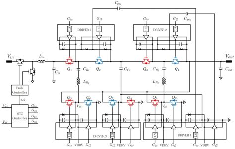
Switched Tank Converter

Switched Tank Converter is a compact electronic device used in power electronics to convert DC voltage to AC voltage efficiently.

Are you looking for an efficient way to convert power from one voltage level to another? Look no further than the Switched Tank Converter! With its ability to step up or step down voltage levels, it's quickly becoming a popular solution for many industries.

But what exactly is a Switched Tank Converter? Essentially, it's a type of DC-DC converter that uses a tank circuit to store and release energy. This allows for a high-efficiency transfer of power between different voltage levels.

In fact, studies have shown that the Switched Tank Converter can achieve up to 98% efficiency in some cases! That's a significant improvement over other types of converters.

One of the key benefits of the Switched Tank Converter is its versatility. It can be used in a wide range of applications, from aerospace and defense to renewable energy and electric vehicles.

And if you're concerned about size and weight, don't worry - the Switched Tank Converter is designed with compactness in mind. It's a lightweight and efficient solution that won't take up too much space in your system.

But how does it compare to other types of converters on the market? Well, traditional converters such as the buck and boost converters have limitations in terms of their input-output voltage ratio. The Switched Tank Converter, on the other hand, can handle a much wider range of voltage levels without any loss of efficiency.

Plus, with its fast transient response and low output noise, the Switched Tank Converter is a reliable choice for sensitive applications where precision and stability are crucial.

And here's another interesting fact - the Switched Tank Converter can actually improve the overall reliability of your system. Its unique design helps to reduce stress on components and prevent damage from voltage spikes, which can extend the lifespan of your equipment.

So, in summary, the Switched Tank Converter is a high-efficiency, versatile, compact, and reliable solution for converting power between different voltage levels. Whether you're in aerospace, defense, renewable energy, or any other industry, this converter has something to offer.

If you're ready to learn more about the Switched Tank Converter and how it can benefit your system, read on! We've compiled all the information you need to make an informed decision about whether this is the right choice for you.

Introduction

Switched Tank Converter is a type of DC-DC converter used to convert high voltages of DC power into lower voltages. This kind of converter is widely used in electronic devices, such as smartphones, laptops, and other portable devices.In this article, we will discuss how a Switched Tank Converter works, its advantages over other types of converters, and how it can be implemented in different electronic devices.

What is a Switched Tank Converter?

A Switched Tank Converter is a type of DC-DC converter that uses a series of capacitors and inductors to step down the voltage of DC power. The basic principle behind this type of converter is that the inductor stores the energy from the input voltage during the on-time of the converter, and then discharges it to the output capacitor during the off-time.

How does it work?

The Switched Tank Converter operates in two different modes - the charging mode, and the discharging mode. In the charging mode, the switch is closed, and the input voltage is applied to the inductor. As the current in the inductor increases, the energy is stored in the magnetic field of the inductor.When the switch is opened, the inductor is disconnected from the input voltage, and the stored energy is transferred to the output capacitor. As the energy is transferred, the output voltage starts to rise until it reaches the desired level.

Advantages of a Switched Tank Converter

There are several advantages of using a Switched Tank Converter over other types of converters. One of the main advantages is its ability to convert high voltages into low voltages efficiently. This type of converter can achieve very high conversion efficiency, up to 95%.Another advantage of using a Switched Tank Converter is its small size and lightweight. This makes it ideal for use in portable electronic devices, such as smartphones and laptops.

Implementation of a Switched Tank Converter

Switched Tank Converters can be used in a variety of electronic devices for voltage regulation. In a typical implementation, the input voltage is supplied from a DC power source, such as a battery or a power adapter.The output voltage is regulated by adjusting the duty cycle of the switch in the circuit. This allows us to control the amount of time the input voltage is applied to the inductor, and how much energy is transferred to the output capacitor during the off-time.

Switched Tank Converter vs Other Types of Converters

Switched Tank Converters are superior to other types of converters, such as Boost Converters and Buck Converters, in terms of efficiency. The main advantage of Switched Tank Converters is their ability to achieve very high conversion efficiency, up to 95%. This makes them ideal for use in portable electronic devices that require a high level of efficiency.

Applications of Switched Tank Converter

Switched Tank Converters can be used in a variety of applications that require voltage regulation, such as smartphones, laptops, and other portable devices. They are also used in solar power systems, where they convert the DC voltage generated by solar panels into AC voltage that can be used in homes and businesses.

Conclusion

In summary, Switched Tank Converters are a type of DC-DC converter that is widely used in electronic devices for voltage regulation. They offer several advantages over other types of converters, including high conversion efficiency and small size. They can be used in a variety of applications, from solar power systems to portable electronic devices.

Switched Tank Converter: A Comparison Guide

Introduction

Switched Tank Converter (STC), also known as a DC-DC converter, is a power electronic device that is widely used in various industries. It converts one DC voltage to another using a switching circuit. The STC has become popular due to its efficiency, small size, and ability to regulate voltage. In this guide, we will compare various STCs available on the market.

The Basics of Switched Tank Converter

The working principle of the switched tank converter involves switching between two capacitors with a constant input voltage. It operates based on frequency switching and duty cycle control. The STC steps up or steps down the input voltage level by changing the duty cycle, which decides the ratio of the on time and off time of the switch. This technology has revolutionized industrial applications in the last decade.

Types of Switched Tank Converter

There are three types of STCs based on their topologies:

Buck Converter:

The buck converter converts a high voltage level into a low voltage level. It draws current from the input source when the switch is on and transfers it to the output capacitor when the switch is off.

Boost Converter:

The boost converter is the opposite of the buck converter. It increases the voltage level from a lower input voltage to a higher output voltage.

Buck-boost Converter:

The buck-boost converter allows for both voltage step-up and step-down. It's achieved by two coupled inductors, making it ideal for photovoltaic systems and battery-powered devices.

Comparison Table

Let's compare different parameters to choose the right STC for your application:| Parameters | Buck converter | Boost converter | Buck-boost converter||-----------|----------------|----------------|---------------------|| Efficiency| High | Medium | Medium || Input Voltage Range| Wide | Narrow | Wide || Output voltage range | Narrow | Wide | Wide || Output ripple voltage| Low | High | Low || Load regulation | Good | Medium | Good |

Opinion

The switched tank converter has outstanding advantages compared to traditional power circuits. It is small, efficient, and versatile, making it a common choice in various industries. The selection of an STC depends on your application's requirements and needs. One must pay attention to various parameters such as input/output voltage levels, efficiency, and load regulation when choosing an STC.

Introducing the Switched Tank Converter

If you're searching for an efficient way to convert DC voltage, then you might want to check out the Switched Tank Converter. This is a specialized electronic device that's designed to transform voltage from one level to another, catering to various applications.

Understanding the Switched Tank Converter

The Switched Tank Converter operates by increasing or decreasing the voltage input using a special mechanism called switching. By doing so, it can regulate the output voltage according to its specifications. This converter is known for its high efficiency, low noise, and fast response time.

How does the Switched Tank Converter work?

The Switched Tank Converter accepts DC input from a power source and then switches it using semiconductor devices such as transistors or MOSFETs. By controlling the switching frequency and duty cycle, it can modulate the amount of energy transferred and regulate the output voltage.

Applications of Switched Tank Converter

Switched Tank Converters are widely used in several industries, including communication, instrumentation, medical equipment, and automotive electronics. It is ideal for applications with a wide range of voltage requirements, high efficiency, and low noise.

Selecting the Right Switched Tank Converter

When selecting a Switched Tank Converter, there are several factors to consider, including the shape, size, sensitivity, voltage regulation tolerance, and cost. Check the manufacturer's datasheet to ensure that the device meets your design specifications.

Benefits of Using Switched Tank Converter

There are many benefits to using the Switched Tank Converter in your projects. These may include:

High Efficiency

Switched Tank Converters have a high efficiency rate, sometimes more than 95 percent. It means that most of the energy from the source supply is delivered to the load, minimizing waste and improving performance.

Low Noise

The Switched Tank Converter is designed with low noise in mind, making it an excellent choice for sensitive applications. It features advanced filtering methods that eliminate noise and interference.

Compact Size

Switched Tank Converters are smaller in size compared to traditional linear regulators, making them a perfect fit for compact electronic devices.

Fast Response Time

Due to its high switching frequency, the Switched Tank Converter boasts of a fast response time, which allows it to respond quickly to changes in voltage level.

Flexible Control

Switched Tank Converters offer flexible control options, including signal modulation, feedback mechanisms, and pulse-width modulation.

Conclusion

The Switched Tank Converter is an essential module that offers a high degree of efficiency in converting DC voltage. Its unique switching mechanism, along with its low noise, fast response time, and compact size, make it an excellent choice for various applications. Whether you're an engineer or an electronics hobbyist, incorporating a Switched Tank Converter into your circuit design is an efficient way to achieve the desired output voltage.

Switched Tank Converters: A Comprehensive Guide

Welcome to our blog post about switched tank converters! In today's world, we rely heavily on electronic appliances for our daily needs. The widespread use of electronics has led to the development of more efficient power converters that can convert the DC voltage from a battery to AC voltage for our appliances.

A switched tank converter is a device that uses a switched resonant circuit to convert DC voltage to AC voltage with high efficiency. This type of converter is known for its high efficiency, low electromagnetic interference, and simplified control mechanism.

In this blog post, we will dive deep into the world of switched tank converters and discuss their working principle, advantages, disadvantages, and applications.

Working Principle of Switched Tank Converters

The switched tank converter consists of an inductor, a capacitor, and a switch. When the switch is closed, the capacitor charges up to the battery voltage. The inductor stores energy during this time. When the switch opens, the energy stored in the inductor is released, causing the voltage across the capacitor to rise. Once the capacitor voltage reaches a predefined threshold, the switch is turned on again, and the cycle repeats.

This process creates an oscillation that produces an AC waveform at the output. The frequency of the output waveform depends on the values of the components used and the timing of the switching.

Advantages of Switched Tank Converters

The switched tank converter has several advantages over other types of converters, including:

  • High efficiency: This type of converter can achieve efficiencies of over 95%, which means less power is wasted as heat.
  • Low electromagnetic interference: The circuit design of the switched tank converter produces minimal electromagnetic interference, making it suitable for sensitive electronic devices.
  • Simplified control mechanism: The switched tank converter has a simple control mechanism that requires only a few components to operate.

Disadvantages of Switched Tank Converters

Like any other electronic device, switched tank converters also have some disadvantages, including:

  • Complex design: The design of these converters can be complex and challenging to understand for beginners.
  • Higher component count: These converters require more components compared to other types of converters, making them costlier.
  • Limited power output: The power output of a switched tank converter is limited due to its circuit design.

Applications of Switched Tank Converters

The switched tank converter has several applications, including:

  • Electric vehicles: These converters are used in electric vehicles to convert the DC voltage from the battery to AC voltage for the motor.
  • Solar power systems: The switched tank converters are used in solar power systems to convert the DC voltage from the solar panel to AC voltage for the grid or home appliances.
  • Uninterrupted power supply: These converters are used in UPS systems to provide a continuous power supply to critical loads.

In Conclusion

Switched tank converters are an efficient and reliable way of converting DC voltage to AC voltage. They have several advantages over other types of converters, including high efficiency, low electromagnetic interference, and simplified control mechanisms.

While they may have some disadvantages, such as a complex design and a higher component count, the benefits of switched tank converters make them a popular choice in various applications, including electric vehicles, solar power systems, and UPS systems.

Thank you for reading our blog post on switched tank converters. We hope you found it informative and useful. If you have any questions or comments, please feel free to leave them below.

People Also Ask About Switched Tank Converter

What is a Switched Tank Converter?

A Switched Tank Converter is a power converter that uses a switched inductor to transfer energy from an input voltage source to an output voltage, through a tank circuit.

How does a Switched Tank Converter work?

The Switched Tank Converter operates by charging and discharging energy into a tank circuit, controlled by a switch. The switch controls the flow of energy between the input source and load by turning on and off at a high frequency. This allows the Switched Tank Converter to maintain a constant output voltage, even with changes in input voltage or load.

What are the advantages of using a Switched Tank Converter?

Some advantages of using a Switched Tank Converter include:

  1. Efficiency: Switched Tank Converters can operate at higher efficiencies than other types of converters, especially under light-load conditions.
  2. Cost-effective: Switched Tank Converters have a lower component count and are generally less expensive to produce than other power converters.
  3. Compact size: Switched Tank Converters are small in size compared to other power converters, making them ideal for portable electronics.
  4. Stable output voltage: Switched Tank Converters can regulate output voltage accurately, even with input voltage changes or variations in load.

What applications are Switched Tank Converters used in?

Switched Tank Converters are commonly used in a variety of applications, including:

  • Battery-powered devices
  • Solar panel systems
  • LED lighting
  • Automotive electronics
  • Consumer electronics

Are there any drawbacks to using a Switched Tank Converter?

Although Switched Tank Converters have many advantages, they do have some drawbacks that include:

  1. Noisy: The high-frequency switching of a Switched Tank Converter can create electromagnetic interference (EMI), causing noise in other electronic devices and circuits.
  2. Complex design: Designing a Switched Tank Converter requires knowledge of power electronics and filter circuitry.
  3. Low output power: Switched Tank Converters are typically used for lower output power applications and may not be suitable for higher power applications.

People Also Ask About Switched Tank Converter

1. What is a switched tank converter?

A switched tank converter is an electronic circuit that converts a fixed input voltage to a regulated output voltage using a switching mechanism. It operates by periodically storing energy in an inductor and then transferring it to the output through a switching element.

2. How does a switched tank converter work?

A switched tank converter works by continuously switching the input voltage across an inductor. During the on phase, the input voltage charges the inductor, storing energy in its magnetic field. In the off phase, the inductor releases this stored energy to the output capacitor, resulting in a regulated output voltage with higher or lower magnitude depending on the design.

3. What are the advantages of using a switched tank converter?

There are several advantages of using a switched tank converter:

  • Efficiency: Switched tank converters can achieve high efficiency levels, minimizing power losses during the conversion process.
  • Regulation: They provide excellent voltage regulation, maintaining a stable output voltage even under varying load conditions.
  • Compactness: Switched tank converters are compact in size, making them suitable for applications with limited space.
  • Flexibility: They can be designed to step up or step down the input voltage, offering versatility in various electronic systems.

4. Are there any limitations or drawbacks to using a switched tank converter?

While switched tank converters offer many benefits, they do have a few limitations:

  1. Noisy operation: Due to the switching mechanism, switched tank converters can generate electromagnetic interference (EMI) that may require additional filtering.
  2. Complex design: Designing and implementing a switched tank converter requires careful consideration of component selection, feedback control, and switching frequency to ensure reliable operation.
  3. Higher cost: Compared to simpler linear converters, switched tank converters can be more expensive due to the additional components and control circuitry required.

5. Where are switched tank converters commonly used?

Switched tank converters find applications in various electronic devices and systems, including:

  • Power supplies: They are commonly used in AC-DC and DC-DC power supplies for computers, telecommunication equipment, and consumer electronics.
  • Renewable energy systems: Switched tank converters play a crucial role in solar inverters and wind turbine power conversion for efficient energy extraction.
  • Automotive electronics: They are utilized in electric vehicles, hybrid vehicles, and other automotive systems to efficiently manage power distribution.
  • Industrial automation: Switched tank converters are employed in industrial control systems, motor drives, and robotics for precise voltage regulation.